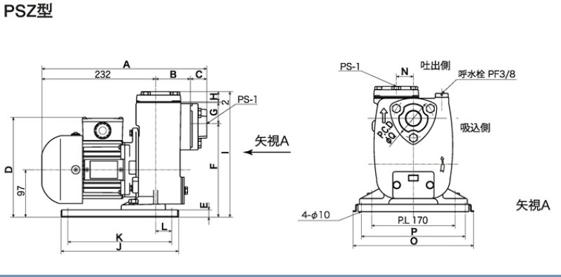
【受注生産品】Z-212用 三相電機 25PSZ-2023

【受注生産品】Z-212用 三相電機 25PSZ-2023

販売価格: 116,820(税込)

入荷待ち
ヘルツ:
数量:

商品詳細

200V 200W【受注生産品】